schema branchement pedales clavinova
- 
				roumegaire
 - Messages : 8
 - Enregistré le : dim. 07 avr., 2019 8:56
 - Mon piano : yamaha clavinova CVP 69
 
schema branchement pedales clavinova
bonjour,
En voulant déplacer le piano de mes filles, le connecteur reliant le piano aux pédales s'est arraché.
le piano est un yamaha clavinova CVP 69
je suis a la recherche du schéma de branchement de ce câble avec les couleurs des fils et le schéma de la connectique pour pouvoir ressouder les fils sur le connecteur
en vous remerciant par avance
			
			
									
						
										
						En voulant déplacer le piano de mes filles, le connecteur reliant le piano aux pédales s'est arraché.
le piano est un yamaha clavinova CVP 69
je suis a la recherche du schéma de branchement de ce câble avec les couleurs des fils et le schéma de la connectique pour pouvoir ressouder les fils sur le connecteur
en vous remerciant par avance
- floyer
 - Modérateur
 - Messages : 3736
 - Enregistré le : mar. 29 oct., 2013 23:08
 - Mon piano : Yamaha N1X
 - Localisation : Montigny-le-Bretonneux (région parisienne)
 - Contact :
 
Re: schema branchement pedales clavinova
Le mieux est de se procurer le manuel de service du CVP-69 (certains sites que l'on trouve avec Google CVP-69 manual service) le propose, mais il faut s'enregistrer.
J'ai le manuel de service du CLP-150 ne donne pas les couleurs : le cordon ne semble pas soudé, mais raccordé à un connecteur au pédalier. La logique est donc de changer le cordon en cas de problème. Cela ressemble au manuel de service du CVP-69 qui est moins précis.
Vu l'age du CVP-69 (1995), cela risque d'être difficile de trouver des pièces détachée.
Avec un peu de chance le cordon est soudé et le circuit imprimé donne les couleurs par leur initiales (Green/Red/...)
			
			
									
						
										
						J'ai le manuel de service du CLP-150 ne donne pas les couleurs : le cordon ne semble pas soudé, mais raccordé à un connecteur au pédalier. La logique est donc de changer le cordon en cas de problème. Cela ressemble au manuel de service du CVP-69 qui est moins précis.
Vu l'age du CVP-69 (1995), cela risque d'être difficile de trouver des pièces détachée.
Avec un peu de chance le cordon est soudé et le circuit imprimé donne les couleurs par leur initiales (Green/Red/...)
- 
				roumegaire
 - Messages : 8
 - Enregistré le : dim. 07 avr., 2019 8:56
 - Mon piano : yamaha clavinova CVP 69
 
Re: schema branchement pedales clavinova
bonjour et merci pour votre réponse
j'ai le mode d'emploi mais la couleur des fils n'est pas mentionnée
il n'y a aucun schéma de câblage non plus
il me faudrait effectivement trouver le schéma de câblage du circuit imprimé jusqu'au connecteur
			
			
									
						
										
						j'ai le mode d'emploi mais la couleur des fils n'est pas mentionnée
il n'y a aucun schéma de câblage non plus
il me faudrait effectivement trouver le schéma de câblage du circuit imprimé jusqu'au connecteur
- floyer
 - Modérateur
 - Messages : 3736
 - Enregistré le : mar. 29 oct., 2013 23:08
 - Mon piano : Yamaha N1X
 - Localisation : Montigny-le-Bretonneux (région parisienne)
 - Contact :
 
Re: schema branchement pedales clavinova
C'est plutôt dans un "service manual" que dans le mode d'emploi que l'on trouve ce type d'information... mais sur les 2 manuels Yamaha du genre, c'est peu probant.
			
			
									
						
										
						- 
				roumegaire
 - Messages : 8
 - Enregistré le : dim. 07 avr., 2019 8:56
 - Mon piano : yamaha clavinova CVP 69
 
Re: schema branchement pedales clavinova
j'ai ce manuel mais rien sur la connectique
			
			
									
						
										
						Re: schema branchement pedales clavinova
Bonjour, vous avez une  ou plusieurs photos de la prise arrachée ? Il y a combien de fils ?
			
			
									
						
										
						- 
				roumegaire
 - Messages : 8
 - Enregistré le : dim. 07 avr., 2019 8:56
 - Mon piano : yamaha clavinova CVP 69
 
Re: schema branchement pedales clavinova
Voici les photos du connecteur et du cable
			
							- Fichiers joints
 - 
			
		
				
- 3BC2C88B-F863-4C9D-B0FC-6D23C06D471C.jpeg (92.08 Kio) Vu 8687 fois
 
 - 
			
		
				
- 6CC551BC-8B08-4124-850D-F056D9CB97AA.jpeg (86.32 Kio) Vu 8687 fois
 
 - 
			
		
				
- 91AF9FFD-7743-4F9C-AD1A-2852D3D16831.jpeg (88.51 Kio) Vu 8687 fois
 
 
Re: schema branchement pedales clavinova
Essaie chez un  revendeur Yamaha de préférence qui a un bon SAV...
Devis + voir si c'est réalisable. Si c'est 50 euros = 1 heure de main d' œuvre, ça peut aller.
			
			
									
						
										
						Devis + voir si c'est réalisable. Si c'est 50 euros = 1 heure de main d' œuvre, ça peut aller.
- floyer
 - Modérateur
 - Messages : 3736
 - Enregistré le : mar. 29 oct., 2013 23:08
 - Mon piano : Yamaha N1X
 - Localisation : Montigny-le-Bretonneux (région parisienne)
 - Contact :
 
Re: schema branchement pedales clavinova
Avec 5 fils, cela n’aide pas : il y a un signal par pédale, un 0V et un 5V. C’est probablement un potentiomètre sur la pédale forte... et peut-être les autres (cela dépend des modèles). 
Si bien qu’en essayant au pif, on risque le court-circuit.
Une manière de faire serait :
De tester le piano avec une résistance assez élevé pour éviter le court circuit : 10kohm... successivement sur toutes les paires de broches.
Il vaut mieux un PC raccordé en MIDI pour détecter les mouvements de pédales détectées. On note ce que l’on observe. Logiquement, cela permet de détecter quelle broche correspond à quelle pédale, LA broche qui raccorder à ces broches provoque le signal de pédale correspondante, et (par élimination) LA broche raccordé au repos à la pédale forte (et peut-être les autres).
Ensuite, essayer le pédalier avec un multimètre (ohm-mètre) Logiquement au repos, tous les fils (pédale + 1 commun) sont raccordés sauf 1 : autre commun qu’il convient d’isoler. Ensuite chaque pédale va relier ce commun avec un fil dédié à la pédale... identifier chaque fil de pédale.
Il peut y avoir des variantes : interrupteur sur 2 pédales, mais potentiomètre sur la pédale forte... ce qui rend les choses plus difficile à diagnostiquer (on n’aura pas un commun raccordé au repos à chaque pédale, mais seuls deux fils seront raccordés au repos... et ces deux fils sont raccordés à un troisième via un potentiomètre de resistance élevée mais pas infinie.)
Bref, il y a moyen de s’en sortir avec méthode et patience et déduction.
J’ai écris en supposant le brochage sur le piano et les fils venant du pédalier.
			
			
									
						
										
						Si bien qu’en essayant au pif, on risque le court-circuit.
Une manière de faire serait :
De tester le piano avec une résistance assez élevé pour éviter le court circuit : 10kohm... successivement sur toutes les paires de broches.
Il vaut mieux un PC raccordé en MIDI pour détecter les mouvements de pédales détectées. On note ce que l’on observe. Logiquement, cela permet de détecter quelle broche correspond à quelle pédale, LA broche qui raccorder à ces broches provoque le signal de pédale correspondante, et (par élimination) LA broche raccordé au repos à la pédale forte (et peut-être les autres).
Ensuite, essayer le pédalier avec un multimètre (ohm-mètre) Logiquement au repos, tous les fils (pédale + 1 commun) sont raccordés sauf 1 : autre commun qu’il convient d’isoler. Ensuite chaque pédale va relier ce commun avec un fil dédié à la pédale... identifier chaque fil de pédale.
Il peut y avoir des variantes : interrupteur sur 2 pédales, mais potentiomètre sur la pédale forte... ce qui rend les choses plus difficile à diagnostiquer (on n’aura pas un commun raccordé au repos à chaque pédale, mais seuls deux fils seront raccordés au repos... et ces deux fils sont raccordés à un troisième via un potentiomètre de resistance élevée mais pas infinie.)
Bref, il y a moyen de s’en sortir avec méthode et patience et déduction.
J’ai écris en supposant le brochage sur le piano et les fils venant du pédalier.
- 
				roumegaire
 - Messages : 8
 - Enregistré le : dim. 07 avr., 2019 8:56
 - Mon piano : yamaha clavinova CVP 69
 
Re: schema branchement pedales clavinova
Ok pour savoir que tel fil qui est relié à telle pedale mais comment savoir le brochage du connecteur, où va le fil jaune par exemple ?
			
			
									
						
										
						- floyer
 - Modérateur
 - Messages : 3736
 - Enregistré le : mar. 29 oct., 2013 23:08
 - Mon piano : Yamaha N1X
 - Localisation : Montigny-le-Bretonneux (région parisienne)
 - Contact :
 
Re: schema branchement pedales clavinova
Comme évoqué il faut :
Tester le piano (quelle position d’une résistance 10kohm (descendre à 4,7 voire 3,3 kohm si aucun effet sur toute les broches) provoque quelle réaction ?) Tu as 10 relevés à faire (nombre de paires de broches) c’est à faire avec soin : chaque pate de la résistance ne doit pas toucher 2 broches.
Tester le pédalier (quelle valeur du ohm-mètre entre les bornes avec tel ou tel pédale enfoncée). Là, il y a plus de relevés car il faut prendre en compte les positions des pédales.
Une fois bien analysé (quel broche et fil a quelle fonction), l’affectation fil/broche se déduira.
La vue broches visibles du connecteur est-elle côté fil pu côté à raccorder au piano.
			
			
									
						
										
						Tester le piano (quelle position d’une résistance 10kohm (descendre à 4,7 voire 3,3 kohm si aucun effet sur toute les broches) provoque quelle réaction ?) Tu as 10 relevés à faire (nombre de paires de broches) c’est à faire avec soin : chaque pate de la résistance ne doit pas toucher 2 broches.
Tester le pédalier (quelle valeur du ohm-mètre entre les bornes avec tel ou tel pédale enfoncée). Là, il y a plus de relevés car il faut prendre en compte les positions des pédales.
Une fois bien analysé (quel broche et fil a quelle fonction), l’affectation fil/broche se déduira.
La vue broches visibles du connecteur est-elle côté fil pu côté à raccorder au piano.
Re: schema branchement pedales clavinova
L' idéal serait d' avoir au téléphone un ingénieur de chez eux, qui ne tente rien n' a rien.
A propos des produits et et services + Formulaire de contact,
puis par exemple option 7 " j' ai besoin d' infos pour une pièce détachée" dans la liste déroulante.
https://member.europe.yamaha.com/contact
			
			
									
						
										
						A propos des produits et et services + Formulaire de contact,
puis par exemple option 7 " j' ai besoin d' infos pour une pièce détachée" dans la liste déroulante.
https://member.europe.yamaha.com/contact
Re: schema branchement pedales clavinova
Nouvelle petite question : d&taillez nous les couleurs des câbles. Et  y a t'il un fil rouge ? 
Sur la photo, on voit devine un jaune, un blanc, un vert, un/deux (noirs (?), ...
Et il vient d'où le câble qui semble plus long (sur votre photo, en haut, noir, vertical, et plus fin ?)
Parce que j'ai trouvé une photo d'un connecteur de pédale Yamaha. il semble que Yamaha ait normalisé ses connecteurs de pédale pendant un certain tmps puisque un câble de remplacement était en vente. Par contre ce câble possédait un fil rouge, ce qu'on ne voit pas sur votre photo. Et il semble que ce connecteur avait 6 fils.
			
			
									
						
										
						Sur la photo, on voit devine un jaune, un blanc, un vert, un/deux (noirs (?), ...
Et il vient d'où le câble qui semble plus long (sur votre photo, en haut, noir, vertical, et plus fin ?)
Parce que j'ai trouvé une photo d'un connecteur de pédale Yamaha. il semble que Yamaha ait normalisé ses connecteurs de pédale pendant un certain tmps puisque un câble de remplacement était en vente. Par contre ce câble possédait un fil rouge, ce qu'on ne voit pas sur votre photo. Et il semble que ce connecteur avait 6 fils.
Re: schema branchement pedales clavinova
Le seul cable de rechange pour pédales qu'on trouve sur le net est celui.ci. Celà ne semble pas correspondre au CVP-69, mais peut donner une piste sur l'organisation des couleurs, en complément des tests donnés par floyer.
Je suppose que l'alimentation (rouge) a été rajoutée par la suite lorsque Yamaha a introduit des composants actifs dans les pédales.
Est ce que l'autre extrémité de votre câble correspond à ce type de connecteur (celui de droite, blanc) pour circuit ?
Donc ce serait
1. Noir
2. Blanc
3. Bleu
4. Vert
5. Jaune
Mais encore une fois avec des
vérifications multiples :
- y a-t'il une sortie 12V ou 5V venant du piano ?
- Est ce qu'un multimètre en position ohmètre donne des indications ( commencer par le calibre 10k ou 20k) sur le connecteur au niveau de la pédale ?
Et j'ouvrirai la pédale pour jeter un coup d' œil sur le circuit, les couleurs des fils, les gravures et indications éventuelles sur le CI, prendre des photos.
			
			
													Je suppose que l'alimentation (rouge) a été rajoutée par la suite lorsque Yamaha a introduit des composants actifs dans les pédales.
Est ce que l'autre extrémité de votre câble correspond à ce type de connecteur (celui de droite, blanc) pour circuit ?
Donc ce serait
1. Noir
2. Blanc
3. Bleu
4. Vert
5. Jaune
Mais encore une fois avec des
vérifications multiples :
- y a-t'il une sortie 12V ou 5V venant du piano ?
- Est ce qu'un multimètre en position ohmètre donne des indications ( commencer par le calibre 10k ou 20k) sur le connecteur au niveau de la pédale ?
Et j'ouvrirai la pédale pour jeter un coup d' œil sur le circuit, les couleurs des fils, les gravures et indications éventuelles sur le CI, prendre des photos.
					Modifié en dernier par chris76 le dim. 14 avr., 2019 9:21, modifié 11 fois.
									
			
						
										
						- 
				roumegaire
 - Messages : 8
 - Enregistré le : dim. 07 avr., 2019 8:56
 - Mon piano : yamaha clavinova CVP 69
 
Re: schema branchement pedales clavinova
bonjour
un jaune, vert, blanc, bleu et le plus long doit etre la continuité du blindage
			
			
									
						
										
						un jaune, vert, blanc, bleu et le plus long doit etre la continuité du blindage
Re: schema branchement pedales clavinova
Pour les couleurs, voir une piste ci-dessus
			
			
									
						
										
						- 
				roumegaire
 - Messages : 8
 - Enregistré le : dim. 07 avr., 2019 8:56
 - Mon piano : yamaha clavinova CVP 69
 
Re: schema branchement pedales clavinova
j'ai tout démonté
voici les photos sur lesquelles apparait un fil rouge non raccordé
			
			
									
						
										
						voici les photos sur lesquelles apparait un fil rouge non raccordé
- 
				roumegaire
 - Messages : 8
 - Enregistré le : dim. 07 avr., 2019 8:56
 - Mon piano : yamaha clavinova CVP 69
 
Re: schema branchement pedales clavinova
donc le blanc pédale centrale, le noir est la masse, le bleu le retour des 3 pédales, le jaune pédale de droite et le vert pédale de gauche
quid du cablage sur le connecteur qui est relié au piano ?
			
			
									
						
										
						quid du cablage sur le connecteur qui est relié au piano ?
Re: schema branchement pedales clavinova
J' ai l' habitude de démonter dans mon atelier et accessoirement de remettre en état toutes sorte de trucs, aucun piano pour l' instant, mais tout un tas d' appareils électriques et électroniques en tous genres ( soudures, refaire ou adapter des pièces ) . Je ne me risquerait pas a bidouiller un piano sans être sur a 100 % du câblage. Moralité de l' histoire : si t' es pas sur de toi, passe par un S.A.V.
			
			
									
						
										
						Re: schema branchement pedales clavinova
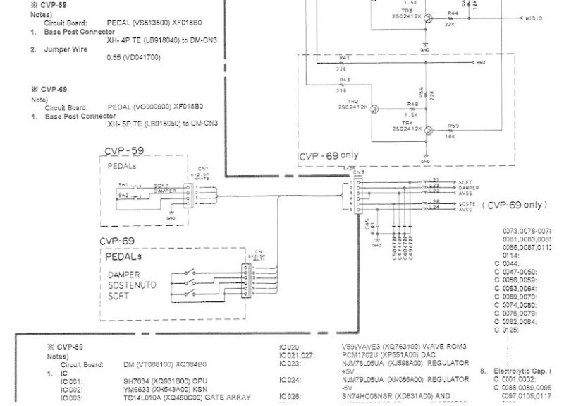
Bonsoir,
Voilà, je crois qu'on n'aura pas mieux que çà, çà demande encore un peu de travail d'investigation de votre part (ohmètre en main...) Désolé pour les délais... Pâques oblige.
Si vous voulez je peux vous envoyer le jpeg en MP (Mail Perso). J'ai l'impression que la définition est un peu meilleure qu'avec un affichage inclusif.
			
			
									
						
										
						Voilà, je crois qu'on n'aura pas mieux que çà, çà demande encore un peu de travail d'investigation de votre part (ohmètre en main...) Désolé pour les délais... Pâques oblige.
Si vous voulez je peux vous envoyer le jpeg en MP (Mail Perso). J'ai l'impression que la définition est un peu meilleure qu'avec un affichage inclusif.